If. Veress Gyula HA4ZU

Gyűjtői honlapja



R-323

2015-10-19

20-100 MHz, AM, FM, WFM, SSB, de CW, BFO nélkül.
Sajnos nem teljesen üzemképes még.

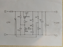
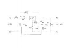
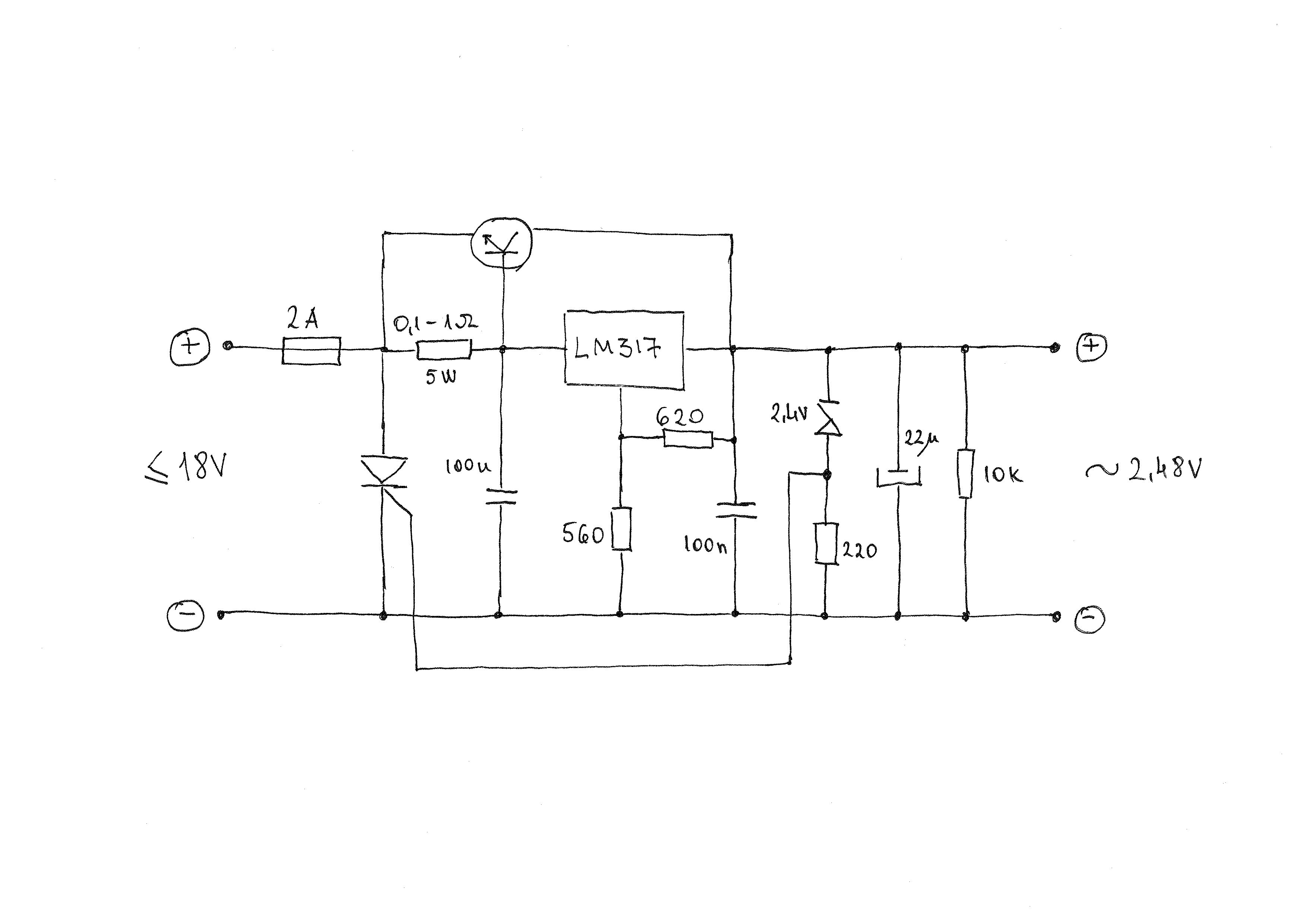
Két rajz az eredeti tápegységek feszültség ingadozásának megszüntetéséhez.

A két táp rajzhoz egy kis magyarázat... Bemenőnek én max 15V -al próbáltam, müxik...
Kimenőnek a hullámjel nem azt jelenti, hogy váltó, hanem azt, hogy KÖRÜLBELÜL annyi
lesz a kimenő fesz, az alkatrészek pontos ellenállási értékétől. A körülbelül azt jelenti,
hogy olyan max. 2,55V lesz. Az áteresztő tranyó bármi NPN tranyó lehet, lényeg, hogy
kb 8A -ert tudjon... Az nagyjából bírni fogja a 326 -os kb 1,5A -es terhelését a felkapcsolt
skálavilágítással együtt.
Mindkét kapcsolási rajz max 0,05V -ot esik amikor megterheltem 1,6A -el.
A túlfesz védelem olyan 3,1 - 3,3V között indul be, kiégeti az olvadó biztosítékot.
2A -nál nagyobb biztosítékot nem célszerű betenni, ugyanis maga a trafó nem bír sokkal
többet mint 2A, s nagyobb biztio esetében kockáztatjuk, hogy maga a trafó ég le.
Mindkét kapcsolás ki van próbálva, többszörösen tesztelve, bírják az 1,6A -ert folyamatosan.
Igaz egyiket sem teszteltem úgy, hogy beszerelve 326 -os táp dobozába s ráakasztva egy
1,5A -es fogyasztó. Kicsit volt az áteresztő tranyó hűtőbordája, túlságosan melegedett kb
1 perc után...

Képek

R-323
R-323
Kép Címe
Kép Címe
Kép Címe
Kép Címe
Kép Címe
Kép Címe
Kép Címe
Kép Címe
Kép Címe
Kép Címe
Kép Címe
Kép Címe
Kép Címe
Kép Címe




Swl.: HA4023 | Call.: HA4ZU